Meziere Enterprises
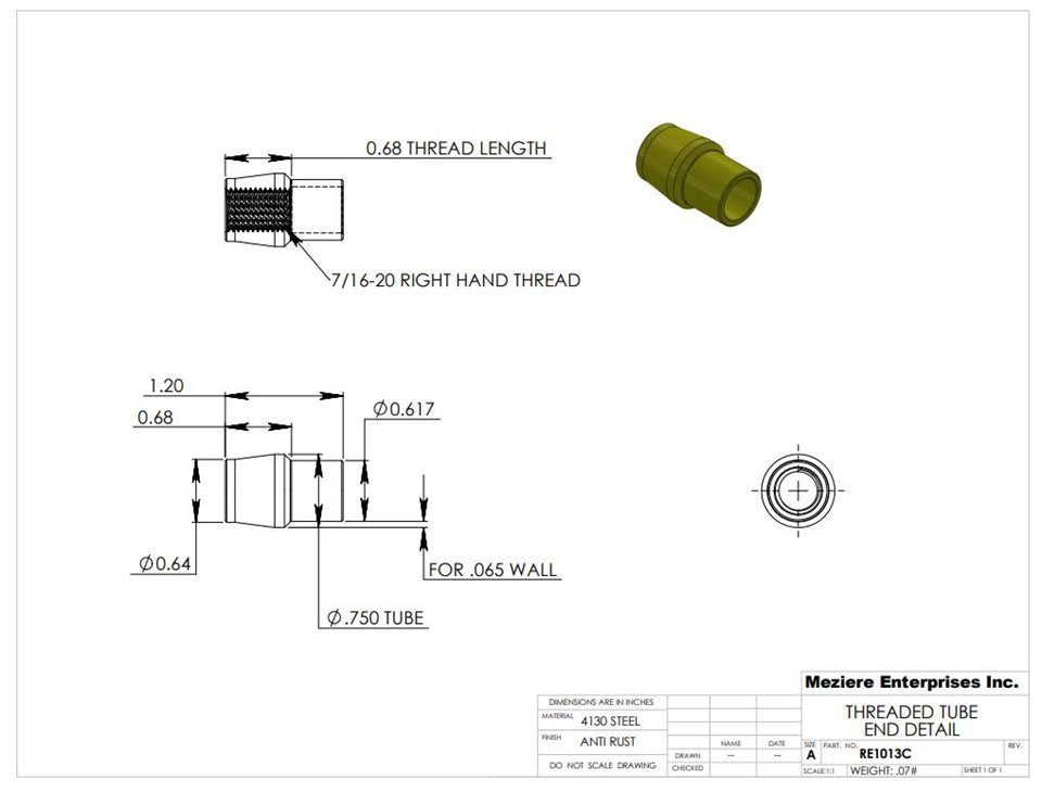
Rohrende, passend für 3/4" x .065 Rohr, 7/16-20 Gewinde
Rohrende, passend für 3/4" x .065 Rohr, 7/16-20 Gewinde
Unsere Gewinderohrenden aus 4130er-Legierung sind seit Jahren die erste Wahl der führenden Chassisbauer des Landes. Festigkeit, Konsistenz und Verarbeitungsqualität sind unübertroffen. Sie sind in einer Vielzahl von Rohrdurchmessern, Wandstärken und Gewindekombinationen erhältlich. Sie finden nicht, was Sie brauchen? Wir sind der größte Hersteller von Gewinderohrenden des Landes. Schreiben Sie uns eine E-Mail oder rufen Sie uns an, um über Sonderangebote zu sprechen.
SKU:RE1013C
Verfügbarkeit für Abholungen konnte nicht geladen werden

Einklappbarer Inhalt
Technische Spezifikationen
Diese Teilenummer bietet:
Der Durchmesser des Einschubs passt auf ein Rohr mit 3/4-Zoll-Durchmesser und einer Wandstärke von 0,065 Zoll.
7/16-20 Rechtsgewinde.
Rohe, bearbeitete Oberfläche – bereit zum Schweißen.
Beschreibung & Anwendung